Department of Electrical Engineering and Automation

ELPOW (2015-2018)

Metrology Research Institute was involved in European Metrology Programme for Innovation and Research (EMPIR) project ELPOW - "Metrology for the electrical power industry".

In order to minimise energy losses, electricity is transmitted through electricity grids at high voltage and low current. Efficiency requirements are driving the development of new products which can operate at higher grid voltages and with lower losses. Equipment for high voltage grids needs to be verified to check it can withstand operating conditions including high voltage and high current surges. This project coordinated by RISE, Sweden developed measurement capabilities needed to prove the quality of equipment for high-voltage grids.

Elpow circuit
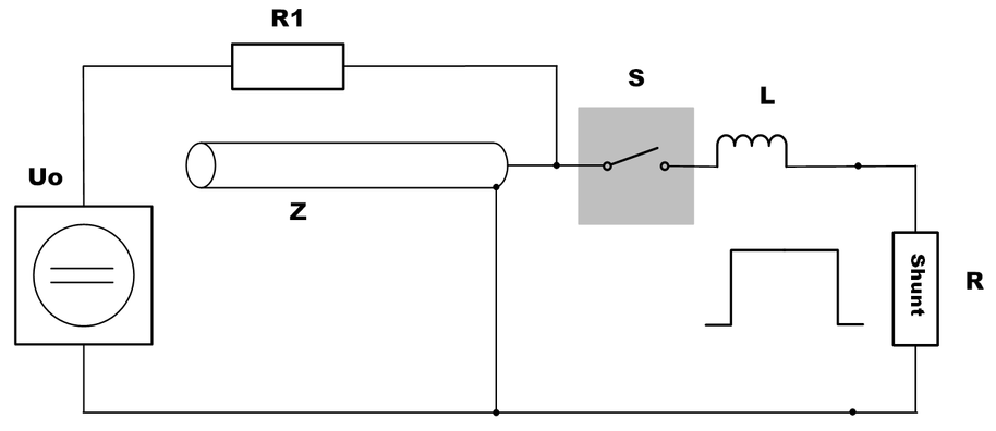
Coaxial-cable-based current step generator for testing impulse current shunts.
Spark gap
Adjustable coaxial spark gap.

Metrology Research Institute worked in tight collaboration with VTT-MIKES in the project to develop a coaxial cable generator for current step generation and measurement with nanosecond rise time. The principle of the setup is presented in the figure. A 110 m long, 50 Ω, coaxial cable z is charged with a rising voltage U0 through a large resistor R1, until the spark gap used as switch s strikes through. The result is a fast current step from the coaxial cable that is directed to measurement devices L and R.

As measurement devices, both current coil sensors L and shunt resistors R were used. Various spark gaps were tested to see, how fastest current steps are generated. Photograph shows a spark gap with an adjustable gap. The measured rise times varied from 1.6 ns to 15 ns, depending on the spark gap used, and on the geometry of the setup. SF6 spark gap was finally chosen. Current steps with stable current up to 100 A can be generated. The duration of the stable current is about 1 µs.

Contact person: Petri Kärhä

  • Updated:
  • Published:
Share
URL copied!